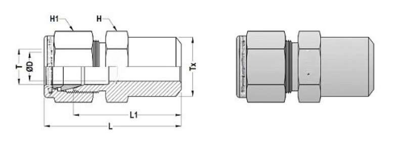
Male Connector Pipe Weld
Tube Fittings
Maximum Compatibility, Interchangeability, Low Torque
Size Range: 1/8" to 2" & 3mm to 50mm
Materials: SS, Brass, Duplex, Monel, Hastelloy, etc.
Variety of End Connections: RADILOK Tube Fitting, UF, ISO/BSP Parallel &
Tapered Threads, ISO 228/1 Parallel Thread
Fractional Tubes
| RADILOK Part Number | T (Tube OD) | Tx (Pipe Weld) | L (mm) | L1 (mm) | Ø D (mm) | H (inch) | H1 (inch) |
|---|---|---|---|---|---|---|---|
| 2-MC-2PW | 1/8" | 1/8" | 30.5 | 23.9 | 2.3 | 7/16 | 7/16 |
| 3-MC-2PW | 3/16" | 1/8" | 31.2 | 24.3 | 3.0 | 7/16 | 7/16 |
| 4-MC-2PW | 1/4" | 1/8" | 32.8 | 25.4 | 4.8 | 9/16 | 7/16 |
| 4-MC-4PW | 1/4" | 1/4" | 37.8 | 30.5 | 4.8 | 11/16 | 9/16 |
| 5-MC-4PW | 5/16" | 1/4" | 39.1 | 32.5 | 6.3 | 11/16 | 9/16 |
| 6-MC-4PW | 3/8" | 1/4" | 39.9 | 32.5 | 7.1 | 11/16 | 9/16 |
| 6-MC-6PW | 3/8" | 3/8" | 41.1 | 33.7 | 7.1 | 7/8 | 11/16 |
| 8-MC-6PW | 1/2" | 3/8" | 43.9 | 36.5 | 10.4 | 7/8 | 11/16 |
| 8-MC-8PW | 1/2" | 1/2" | 44.9 | 37.5 | 10.4 | 1 | 7/8 |
| 10-MC-8PW | 5/8" | 1/2" | 48.3 | 39.9 | 12.7 | 1.1/8 | 7/8 |
| 10-MC-10PW | 5/8" | 5/8" | 49.8 | 41.4 | 12.7 | 1.1/4 | 1 |
| 12-MC-8PW | 3/4" | 1/2" | 50.8 | 42.4 | 15.7 | 1.1/4 | 7/8 |
| 12-MC-12PW | 3/4" | 3/4" | 49.9 | 43.9 | 15.7 | 1.3/8 | 1.1/8 |
| 16-MC-12PW | 1" | 3/4" | 49.9 | 43.9 | 22.3 | 1.1/2 | 1.1/8 |
| 16-MC-16PW | 1" | 1" | 50.5 | 44.4 | 22.3 | 1.1/2 | 1.5/16 |
Metric Tubes
| RADILOK Part Number | T (Tube OD) | Tx (Pipe Weld) | L (mm) | L1 (mm) | Ø D (mm) | H (mm) | H1 (mm) |
|---|---|---|---|---|---|---|---|
| 3-MC-2PW | 3 mm | 1/8" | 30.5 | 23.9 | 2.3 | 12 | 12 |
| 4-MC-2PW | 4 mm | 1/8" | 31.2 | 24.3 | 3.0 | 12 | 12 |
| 4-MC-4PW | 4 mm | 1/4" | 32.8 | 25.4 | 3.0 | 12 | 12 |
| 6-MC-4PW | 6 mm | 1/4" | 37.9 | 30.5 | 4.8 | 14 | 14 |
| 8-MC-6PW | 8 mm | 3/8" | 41.6 | 33.2 | 6.4 | 17 | 16 |
| 8-MC-8PW | 8 mm | 1/2" | 45.6 | 38.1 | 6.4 | 19 | 19 |
| 10-MC-8PW | 10 mm | 1/2" | 46.3 | 39.1 | 7.9 | 19 | 19 |
| 10-MC-10PW | 10 mm | 5/8" | 49.3 | 43.3 | 7.9 | 22 | 19 |
| 12-MC-12PW | 12 mm | 3/4" | 48.9 | 42.9 | 9.5 | 24 | 22 |
| 15-MC-12PW | 15 mm | 3/4" | 49.3 | 43.3 | 12.7 | 27 | 22 |
| 15-MC-15PW | 15 mm | 1" | 48.9 | 42.9 | 12.7 | 27 | 25 |
| 16-MC-8PW | 16 mm | 1/2" | 48.0 | 39.6 | 12.7 | 27 | 25 |
| 18-MC-8PW | 18 mm | 1/2" | 50.5 | 44.0 | 13.5 | 27 | 30 |
