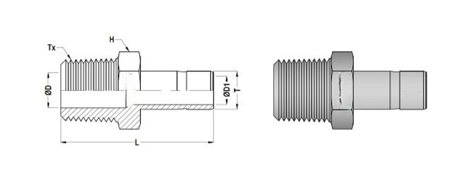
Male Tube Adaptor - NPT
Male Tube Adaptor - NPT
Tube Fittings
- Features:Gaugeability, Interchangeability, Low Torque, Positive Leak-Free Seal.
- Size Range: 1/8" to 2" & 3mm to 50mm.
- Materials: SS, Brass, Duplex, Monel, Hastelloy, etc.
- Variety of End Connection: RADILOK Tube Fitting, NPT Pipe Thread, ISO 7/1 Tapered Thread, ISO 228/1 Parallel Thread.
Fractional Tubes
| RADILOK Part Number | T (Tube Stub) | Tx (NPT) | L (mm) | Ø D (mm) | Ø D1 (mm) | H (Inch) |
|---|---|---|---|---|---|---|
| 2S-TAM-2N | 1/8" | 1/8" | 29.5 | 4.8 | 2.3 | 7/16 |
| 2S-TAM-4N | 1/8" | 1/4" | 34.8 | 7.1 | 2.3 | 9/16 |
| 4S-TAM-2N | 1/4" | 1/8" | 31.8 | 4.8 | 4.8 | 7/16 |
| 4S-TAM-4N | 1/4" | 1/4" | 37.1 | 4.8 | 4.8 | 9/16 |
| 4S-TAM-6N | 1/4" | 3/8" | 37.8 | 4.8 | 4.8 | 11/16 |
| 5S-TAM-2N | 5/16" | 1/8" | 32.8 | 4.8 | 6.3 | 7/16 |
| 5S-TAM-4N | 5/16" | 1/4" | 38.1 | 6.3 | 6.3 | 9/16 |
| 6S-TAM-2N | 3/8" | 1/8" | 33.5 | 4.8 | 7.1 | 7/16 |
| 6S-TAM-4N | 3/8" | 1/4" | 38.9 | 7.1 | 7.1 | 9/16 |
| 6S-TAM-6N | 3/8" | 3/8" | 39.6 | 7.1 | 7.1 | 11/16 |
| 6S-TAM-8N | 3/8" | 1/2" | 45.2 | 7.1 | 7.1 | 7/8 |
| 8S-TAM-4N | 1/2" | 1/4" | 44.5 | 7.1 | 9.9 | 9/16 |
| 8S-TAM-6N | 1/2" | 3/8" | 45.2 | 9.9 | 9.9 | 11/16 |
| 8S-TAM-8N | 1/2" | 1/2" | 50.8 | 9.9 | 9.9 | 7/8 |
| 10S-TAM-6N | 5/8" | 3/8" | 47.4 | 9.9 | 12.7 | 11/16 |
| 10S-TAM-8N | 5/8" | 1/2" | 52.3 | 11.9 | 12.7 | 7/8 |
| 10S-TAM-12N | 5/8" | 3/4" | 52.3 | 15.0 | 12.7 | 1.1/16 |
| 12S-TAM-8N | 3/4" | 1/2" | 52.3 | 11.4 | 15.0 | 7/8 |
| 12S-TAM-12N | 3/4" | 3/4" | 52.3 | 15.0 | 15.0 | 1.1/16 |
| 12S-TAM-16N | 3/4" | 1" | 57.9 | 20.3 | 15.0 | 1.3/8 |
| 14S-TAM-12N | 7/8" | 3/4" | 54.3 | 15.0 | 17.3 | 1.1/16 |
| 16S-TAM-12N | 1" | 3/4" | 58.7 | 15.7 | 20.3 | 1.1/16 |
| 16S-TAM-16N | 1" | 1" | 66.0 | 20.3 | 20.3 | 1.3/8 |
Metric Tubes
| RADILOK Part Number | T (Tube OD) | Tx (NPT) | L (mm) | Ø D (mm) | Ø D1 (mm) | H (mm) |
|---|---|---|---|---|---|---|
| 6MS-TAM-2N | 6 mm | 1/8" | 32.8 | 4.6 | 4.6 | 12 |
| 6MS-TAM-4N | 6 mm | 1/4" | 38.1 | 4.6 | 4.6 | 14 |
| 8MS-TAM-4N | 8 mm | 1/4" | 39.1 | 6.3 | 6.3 | 14 |
| 10MS-TAM-4N | 10 mm | 1/4" | 39.9 | 7.7 | 7.7 | 14 |
| 10MS-TAM-6N | 10 mm | 3/8" | 40.6 | 7.7 | 7.7 | 19 |
| 10MS-TAM-8N | 10 mm | 1/2" | 46.2 | 11.9 | 7.7 | 22 |
| 12MS-TAM-4N | 12 mm | 1/4" | 46.5 | 7.1 | 9.1 | 16 |
| 12MS-TAM-8N | 12 mm | 1/2" | 52.0 | 11.9 | 9.1 | 22 |
| 18MS-TAM-12N | 18 mm | 3/4" | 54.8 | 15.9 | 13.9 | 27 |
